Our Services
Specializing in cruise ship HVAC, Sanitation, Galley and Accommodation Repairs.
Air Handling Unit (AHU) Fabrication & Engineering
We design and fabricate custom Air Handling Units tailored to the specific requirements of marine HVAC systems.
Our fabrication capabilities include stainless-steel housings, structural frames, filter sections, fan chambers, and condensate management components. All units are built for corrosion resistance, service accessibility, and long-term durability in high-moisture environments.


AHU Repairs, Overhauls & Mechanical Restoration
We execute full mechanical restorations for damaged or aging AHUs. Each unit is disassembled, inspected, repaired, and reassembled according to marine engineering standards to restore operational integrity and airflow performance.
We renew and install new cooling, heating, and reheat coils sized for the required thermal load and operating pressure. All replacement coils meet OEM specifications or are engineered as direct-fit replacements with equivalent or improved performance.
Coils Renewal, Replacement & Cleaning


Custom AHU construction (stainless, galvanized, aluminium)
Structural casing engineering and reinforcement
New assembly of fan sections, filter modules, and coil compartments
Replacement of worn or corroded housings
Integration with existing shipboard ventilation systems
Capabilities include:
Typical repairs include:
Replacement of damaged panels, frames, hinges, and access doors
Mechanical realignment of components for optimal airflow
Rust removal, surface preparation, and corrosion-resistant recoating
Structural reinforcement and vibration reduction improvements
Seal renewal and correction of air leakage points
Services provided:
Manufacturing and installation of new cooling/heating coils
Removal of corroded or leaking coils
Coil frame repair and mounting adaptation
Performance testing after installation
Deep cleaning and chemical treatment (where required)
Bottom Pan Reconstruction & Condensate System Repairs
We reconstruct corroded or deformed bottom pans using marine-grade stainless steel to ensure proper drainage and long-term resistance to moisture, chemicals, and microbial growth.


Duct Construction, Modification & Repair Work
We fabricate and install all types of sheet-metal ducting used in marine HVAC systems. Our onboard repair services cover damaged sections, leaking joints, and performance-related issues caused by system degradation.
We install professional-grade thermal and acoustic insulation for pipes, ducts, and AHUs, using Armaflex and equivalent closed-cell materials designed for marine HVAC applications. Our insulation work improves energy efficiency, reduces condensation risk, and enhances environmental control.
HVAC Insulation (Armaflex & Closed-Cell Systems)


Fabrication of new stainless condensate pans
Redesign for improved drainage slopes and water flow
Replacement of blocked or undersized drain outlets
Reinforcement of pan support structures
Protection against corrosion and microbial contamination
Our reconstruction work includes:
Capabilities include:
New duct fabrication (rectangular or round)
Replacement of corroded sections
Sealing, alignment and tightening of existing ducting
Installation of access panels for maintenance
Duct extension, rerouting, and system redesign
Airtightness restoration and vibration control
Insulation services include:
Armaflex insulation for ducts, pipes and AHU sections
Anti-condensation protection for cold surfaces
Acoustic insulation for noise reduction
UV-protected and cladded insulation (where required)
Insulation replacement on degraded or mold-affected areas
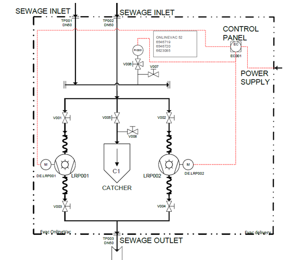
Evac & Jets Spare Parts Supply
We are a specialized supplier of Evac and Jets spare parts, supporting passenger vessels, ferries, and offshore units with fast delivery and OEM-compliant components.
Spare parts supply is the core function of our sanitation services and covers all major system elements.


Alongside spare parts supply, we perform full engineering support for vacuum sanitation systems of Evac and Jets design. Work includes mechanical restoration, diagnostics, and correction of long-term operational issues.
Vacuum Piping System Inspection & Leak Detection


Vacuum pumps & rebuild kits
Discharge pumps & mechanical seals
Vacuum valves, toilet interface valves & diverting valves
Sensors, level switches & pneumatic components
Controllers, circuit boards & system electronics
Pipe fittings, couplings, clamps & seals
Toilet bowl parts, actuators & service kits
Supplied components include:
Capabilities include:
Vacuum pump overhauls and motor service
Discharge pump repairs
Valve rebuilding and replacement
Correction of vacuum fluctuations, blockages, and slow flushing
Troubleshooting of tank level issues and control system faults
System pressure testing and performance verification
Inspection tasks include:
Vacuum integrity measurements
Acoustic and smoke leak testing
Repair/replacement of degraded pipe sections
Correction of slopes and improper routing
Restoring flow characteristics
Sanitation System Repairs, Overhauls & Technical Support
We conduct detailed inspection and testing of vacuum piping circuits to identify leakage points, blockages, and improper piping gradients that affect system performance.
To prevent vacuum loss and system failures during operation, we offer scheduled maintenance programs tailored for vessel itineraries.
Preventive Maintenance Programs


Includes:
Pump testing & overhaul intervals
Valve cycle checks
System drain-down & cleaning
Replacement of consumable parts
Inspection reporting & recommendations
Supply of New Marine Galley Machinery
We supply certified marine-grade galley equipment for cruise and ferry operations. All machines meet onboard safety, hygiene, and durability requirements.


We install all galley machinery according to marine electrical, mechanical, and safety standards.
We repair all forms of galley machinery commonly found in passenger vessels.
Galley Equipment Mechanical & Electrical Repairs




Combi ovens
Steamers & kettles
Dishwashers (hood, tunnel, compact)
Mixers, grinders, food processors
Refrigeration & freezer units
Stainless worktables & extraction systems
Supplied equipment includes:
Installation includes:
Vacuum pump overhauls and motor service
Discharge pump repairs
Valve rebuilding and replacement
Correction of vacuum fluctuations, blockages, and slow flushing
Troubleshooting of tank level issues and control system faults
System pressure testing and performance verification
Repair work includes:
Heating element replacements
Pump and motor service
Electronic board replacements
Steam generator repairs
Dishwashing unit overhauls
Refrigeration system fault correction
Technical Installation & Commissioning
Spare Parts Supply
We provide OEM and compatible technical spare parts for most marine galley equipment brands.


We execute preventative inspections to ensure continuous operation of critical food-service equipment.
Motors, pumps, valves
Sensors & thermostats
Electrical control boards
Heating elements
Door seals and mechanical components
Includes:
Tasks include:
Motor and pump checks
Filter inspections
Temperature calibration
Seal condition verification
Cleaning and descaling protocols
Preventive Maintenance for Marine Galleys
Passenger Cabin Door Repairs & Mechanical Adjustments
We restore and service cabin doors to ensure correct alignment, sealing, fire-rating compliance, and smooth operation.
Marine accommodation zones require lightweight, corrosion-resistant construction.
We fabricate and repair aluminum components across cabins, corridors, and public areas.
We renew and install marine-grade glass panels for balconies, cabins, and interior spaces.
Glass Renewal & Installation


Hinges, closers & locking mechanism repairs
Alignment correction & re-hanging
Soundproofing and seal replacements
Fire door inspection and servicing
New door panel installation
Services include:
Capabilities include:
Custom aluminum frames
Balcony structures and sliding door tracks
Wall claddings, trims & profiles
Reinforcement of structural elements
Corrosion removal and recoating
Services include:
Replacement of tempered, laminated or safety glass
Balcony glass installation
Partition glass panels
Door glass units
Silicone sealing, waterproofing & alignment
Aluminum Fabrication & Structural Accommodation Works
Sliding Door Systems – Service & Overhaul
We repair sliding doors in cabins and balcony areas, restoring full mechanical reliability.
Accommodation areas often face moisture-related damage.
All repairs are completed using shipboard standards.
Inspection, Testing & Final Verification
Track and roller replacements
Alignment correction
Handle & lock repairs
Noise and friction reduction
Resealing and corrosion removal
Work includes:
We perform:
Spot and full-area corrosion removal
Surface preparation & priming
Protective coating applications
Metal reinforcement
Includes:
Functional door tests
Water-resistance checks
Vibration and noise tests
Safety compliance inspections
Corrosion Treatment & Surface Protection
Complete AHU Refurbishment & Performance Restoration
We offer full AHU refurbishment programs designed to extend the operational life of existing units. Each refurbishment combines structural repairs, component renewal, leakage correction, and insulation upgrades.


Disassembly & inspection
Structural and mechanical repairs
Coil renewal or cleaning
Bottom pan reconstruction
Duct interface optimization
Re-insulation of critical sections
Performance testing and commissioning
Refurbishment program includes:
Ship Air Vac’s team quickly resolved our HVAC issues, keeping our cruise ship comfortable and safe throughout the journey.
J. Lee
★★★★★
Engineered HVAC Solutions for Marine Environments.
Precision Fabrication. Reliable Performance.
Contact Us
Reach out to our experts for tailored marine HVAC and sewage solutions.
Contact
Reach out for expert marine HVAC help
technicalservice@shipairvac.com
+30 6944813721
ORESTIADA, Sterna Orestiadas SCHISTO INDUSTRIAL PARK Block 8, Street 6,
© 2025. All rights reserved.

